О ЧЕМ ПИШУТ НАУЧНО- ПОПУЛЯРНЫЕ ЖУРНАЛЫ МИРА

Электронная бумага, электронные книги

Сотрудник корпорации «Ксерокс» Н. Шеридон изобрел «электронную бумагу» – тонкий листовой материал, на котором с помощью электрического заряда можно писать и рисовать, причем сделанное изображение сохраняется достаточно долго без необходимости в подпитке энергией.

«Электронная бумага» в несколько раз толще обычной, толщиной примерно с резину, употребляемую для хирургических перчаток, и на ощупь она похожа на резину. Это неудивительно: основой служит листок прозрачного синтетического каучука, наполненного массой пластмассовых шариков диаметром от 0,03 до 0,1 миллиметра. Причем половина каждого шарика черная, другая – белая. Эти половинки несут асимметричный электрический заряд, который, как сообщил изобретатель, придается шарикам посредством некоего химического процесса, составляющего секрет фирмы. Подробности изготовления шариков также держатся в секрете, известно только, что их делают на вращающемся со скоростью 2700 оборотов в минуту стальном диске. На одну сторону диска направляют струю белого полимера, на другую – черного. Потоки, отбрасываясь к краям диска, разбиваются на черные и белые капельки, при встрече они сливаются и застывают, образуя мириады черно-белых шариков.

Электронная книга «Рокет-бук», выпуск которой начат в США. Ее память вмещает 4000 страниц. Содержание книги можно менять, подключив ее к компьютеру, в который вставлен CD-ROM с текстами и картинками. А можно, опять же через компьютер, связаться по Интернету с издательством и загрузить новое содержание книги прямо оттуда, заплатив некоторую сумму.

Листок «электронной бумаги» системы Шеридон а.

Черно-белые шарики, изготовленные в лаборатории «Ксерокса», под микроскопом.

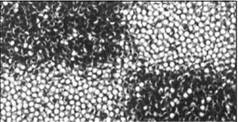
Участок «электронной бумаги» системы Джекобсона под микроскопом. В углу показана отдельная микрокапсула.

Шарики примешивают к расплавленному силиконовому каучуку. После его застывания каучук режут на листки, их пропитывают минеральным маслом. Вокруг каждого шарика образуется миниатюрный «карман», заполненный маслом, в котором шарик свободно плавает.

Когда к поверхности листа прикладывают электрический заряд, шарик поворачивается одной своей стороной вверх. Из черных и белых точек складывается надпись или изображение, которые держатся и после того, как электростатическое поле снято. В лаборатории «Ксерокса» есть образцы нового материала с изображением, сохраняющимся до двух лет. Возможно, оно продержится и дольше, просто нет пока более старых образцов. Изображение стирается приложением обратно направленного поля. Материал выдержал до трех миллионов стираний и новых записей, и это, скорее всего, не предел – в механизме нечему изнашиваться.

Четкость изображения в три раза выше, чем на лучших жидкокристаллических дисплеях, причем энергия почти не расходуется – ноутбук с таким экраном будет работать на четырех обычных батарейках до полугода (сейчас в портативные компьютеры ставят самые современные, самые емкие и самые дорогие аккумуляторы и добиваются работы с одной зарядки не дольше 6-8 часов). Группа Шеридона работает над созданием такого же цветного экрана. Вскоре должны появиться рекламные щиты на этом принципе с меняющимся изображением, а еще через несколько лет – портативные компьютеры с цветным экраном из «электронной бумаги».

Это не единственный вариант сверхтонкого дисплея. В Массачусетском технологическом институте группа под руководством физика Джо Джекобсона разрабатывает дисплей, сделанный из бумаги, покрытой тонким слоем микрокапсул. В каждой микрокапсуле (ее диаметр 0,04 миллиметра) заключены частицы порошка, которые так же, как в резиновой бумаге Шеридона, могут передвигаться под действием электростатического поля. Капсула, в которой порошок оттянут назад, выглядит черной, если же частицы собрались у ее передней стороны, она приобретает белый цвет. На изображение, скажем, буквы «а» в этом тексте потребуется около тысячи микрокапсул. После отключения поля буквы не исчезают несколько месяцев.

Джекобсон предлагает делать из такой бумаги электронные книги. В корешке и переплете книги будет заключена компьютерная начинка, управляющая «дисплеем» из бумажных страниц. Этот микрокомпьютер сможет воспринимать содержание книги, записанное на вставляемой в переплет дискете, и выводить его на страницы. Картинки и схемы в такой книге могут быть движущимися. А можно упрятать в корешок и модем с радиоприемником, подключенным к Интернету, и получать содержание нужной вам книги прямо из библиотеки или издательства по радиоволнам. Передача «Войны и мира» займет, к примеру, минуты две. Такая книга, по оценкам разработчиков, будет стоить около двухсот долларов, зато она будет вмещать в себя целую библиотеку – меняй только дискеты. Готовится и более совершенный вариант, на полях которого владелец сможет делать пометки и примечания электронным пером, и эти заметки записываются в память книги. Эта модель в два раза дороже.

Тем временем в США начат выпуск двух моделей электронных книг – пока с обычными дисплеями на жидких кристаллах, подсвечиваемыми сзади (так что читать можно в темноте). Цена – от 300 до 500 долларов.

Хлор в воде – польза или вред?

Какое открытие в медицине XX века можно назвать самым крупным? Антибиотики? Инсулин? Пересадку сердца? Нет, больше всего жизней спасло изобретение хлорирования водопроводной воды. Оно остановило распространение кишечных инфекций в городах.

Однако уже около четверти века назад новые методы анализа показали, что в водопроводной воде, не вполне очищенной от органических веществ (а если бы она не содержала никакой органики, не было бы смысла ее хлорировать), при обработке хлором возникает некоторое количество хлороформа. Вскоре после этого на животных было показано, что хлороформ может вызывать рак. Тогда же эпидемиологи сравнили карту распределения заболеваний опухолями мочевого пузыря и кишечника в США с картой хлорирования воды, и оказалось, что там, где люди пьют хлорированную воду, опухоли встречаются чаще.

С тех пор этот вывод неоднократно подтверждался, но и подвергался критике. Ведь нельзя не учитывать множество других факторов. Например, хлорирования воды обычно нет в мелких населенных пунктах, но жизнь людей там сильно отличается от жизни в больших городах и по другим параметрам. Кроме того, в лабораторных опытах подопытные животные получали в тысячи раз больше хлороформа, чем человек получает с водопроводной водой. Во всяком случае, в США понижены разрешенные нормы на содержание в водопроводной воде хлороформа и подобных соединений. Такие же строгие нормы только что введены и в 15 странах Европейского союза. Надо заметить, что и хлор, и хлороформ улетучиваются из воды при кипячении.

Уровень хлорирования водопроводной воды зависит от времени года и от особенностей водоисточников. Весной, когда с тающим снегом в водоемы попадает много всякой грязи, хлорирование усиливают. Там, где источником воды служат артезианские скважины, можно обходиться вообще без хлора. Есть и новые способы дезинфекции воды, например озонирование или облучение ультрафиолетовым светом. Но они дороже хлорирования и не гарантируют от заражения уже обработанной воды после того, как она пошла по трубам. Кроме того, при обработке озоном, как предполагают, тоже могут возникать вредные соединения. Похоже, отказываться от хлора еще рано. Во всяком случае, когда это для сокращения числа раковых заболеваний сделали в Перу, там в 1991 году возникла вспышка холеры.

Цифры и факты

¦ За весь кончающийся век в челюстях самого страшного морского хищника – акулы-людоеда (она же большая белая акула) погибло семь человек. За то же время больше людей погибло от укусов пчел.

¦ Во Франции разработано сверхтвердое покрытие для инструментов и трущихся деталей, названное «поливольф». Это многослойное покрытие из вольфрама, отлагаемое на поверхности детали из паров этого металла. Покрытие в 10 раз прочнее стали. Оно прежде всего найдет применение в авиадвигателях.

¦ Проезжая мимо столкнувшихся в дорожном инциденте автомобилей, водители обычно замедляют ход, с сочувствием или любопытством разглядывая место происшествия. На и так сузившейся дороге возникает пробка. Чтобы избежать этого, голландская дорожная полиция взяла на вооружение барьеры-ширмы высотой по полтора метра из ажурного (чтобы не сдувало ветром) полихлорвинила. Ими временно огораживают место происшествия.

¦ Нектар всех растений представляет собой бесцветную жидкость. Единственные в мире три вида растений, цветки которых имеют красный нектар, растут только на острове Маврикий в Индийском океане. Одно из этих растений – родственник нашего колокольчика, два других относятся к тому же семейству, что и растение какао. Зачем им окрашенный нектар и почему больше нигде таких растений нет – непонятно.

¦ Как показала обработка 600 тысяч измерений толщины ионосферы, проведенных за последние 38 лет, каждые пять лет верхняя граница ионосферы опускается на километр. Это связывают с глобальным потеплением.

¦ Самый удаленный объект, сделанный руками человека, это американский космический зонд «Вояджер-1», запущенный 5 сентября 1977 года. На конец ноября 1998 года расстояние до зонда составило около 10 925 000 000 километров, увеличиваясь ежесекундно на 38 километров. Радиосигнал от него идет до земных антенн более 10 часов, а мощность сигнала при приеме в двадцать миллионов раз меньше, чем мощность батарейки для наручных электронных часов. Тем не менее научная информация от «Вояджера-1», как ожидают, должна поступать до 2020 года.

¦ В сороковых годах нашего века американских танкистов тренировали на полигоне в пустыне Мохаве (штат Калифорния). До сих пор следы гусениц видны на земле, и экологи предполагают, что изгладиться они должны примерно через тысячу лет.

¦ Шведские зоологи обнаружили удивительное явление: мелкие речные рачки гаммарусы могут чувствовать обонянием присутствие питающейся ими форели, даже когда рыба находится ниже по течению. Единственное, что ученые смогли предположить, – это что в реке всегда есть струйки, идущие против течения.

¦ Если верны расчеты Питера Эдвардса из Бирмингемского университета (Англия), то сверхпроводник, который будет терять электрическое сопротивление при комнатной температуре, окажется в 10 раз токсичнее цианистого калия.

¦ Цикориевая кислота, выделенная из кофейных зерен, прекращает размножение вируса СПИДа в лабораторной культуре клеток. Применить цикориевую кислоту для лечения людей невозможно: в организме эффект оказывается слишком слабым, но на основе этого соединения можно разработать более мощные средства.

¦ Колония пингвинов может издавать шум громкостью 70 децибел, что соответствует громкости работы двигателя грузовика.

¦ В США начат выпуск цифрового телевизора с жестким диском типа компьютерного, на который записывается до 7 часов изображения. Телевизор можно программировать, заказывая ему записать те или иные передачи в отсутствие хозяина, причем в аппарат достаточно просто ввести название передачи либо даже только фамилии кинорежиссера или артистов, и по этим признакам нужная передача будет разыскана на любом канале в любое время и записана. Готовится к выпуску модель с объемом памяти на 40 часов записи.

¦ Наука вполне может быть высокоприбыльной. Это доказывает опыт одного из ведущих научно-исследовательских учреждений Израиля – Института имени Вейцмана. Согласно только что подведенным итогам, общая стоимость продукции, выпущенной на мировой рынок на основе разработок этого института, составила в 1997 году 600 миллионов долларов.

В подборке использованы сообщения следующих изданий: «New Scientist» (Англия), «Bildder Wissenschaft» (Германия), «Interface» (Израиль), «Popular Science», «Science News», «Scientific American» (США) и «Science et Vie» (Франция).

ВАШИ РАСТЕНИЯ

Более 800 000 книг и аудиокниг! 📚

Получи 2 месяца Литрес Подписки в подарок и наслаждайся неограниченным чтением

ПОЛУЧИТЬ ПОДАРОК